Servos drives directly start turning
- JanCNC
- Offline
- New Member
-
Less
More
- Posts: 8
- Thank you received: 1
07 Jan 2026 07:53 - 07 Jan 2026 08:32 #341118
by JanCNC
Replied by JanCNC on topic Servos drives directly start turning
No, the servo drives of the Y-Gantry each have their own connection to the encoder TB3/4 and analog interface TB5.
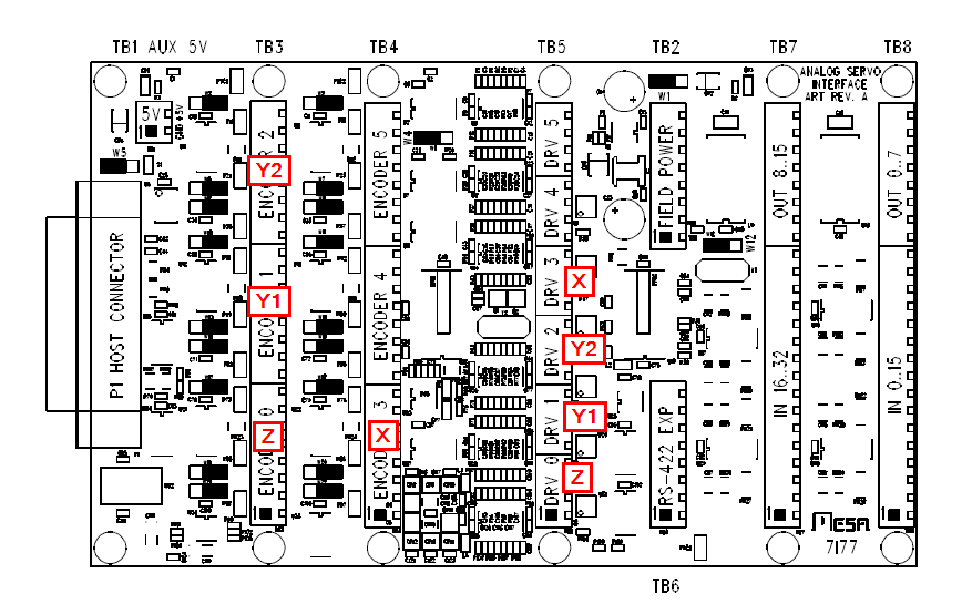
Attached is a picture of my 7i77 axis connection.
If I connect only one of the two Y axes to the analog interface TB5 and enable with F2 the axis enters control mode (drifting slightly but no jog possible). However, if I connect both axes to TB5 and enable them with F2, the axes immediately spin at high speed and a following error occurs.
@PCW What do you mean with "test this with the linear axis disconnected"?
Note: The axes are currently not connected to the mechanics and are essentially lying loose on the table.
Attached is a picture of my 7i77 axis connection.
If I connect only one of the two Y axes to the analog interface TB5 and enable with F2 the axis enters control mode (drifting slightly but no jog possible). However, if I connect both axes to TB5 and enable them with F2, the axes immediately spin at high speed and a following error occurs.
@PCW What do you mean with "test this with the linear axis disconnected"?
Note: The axes are currently not connected to the mechanics and are essentially lying loose on the table.
Last edit: 07 Jan 2026 08:32 by JanCNC.
Please Log in or Create an account to join the conversation.
- PCW
-
- Offline
- Moderator
-
Less
More
- Posts: 17838
- Thank you received: 5220
07 Jan 2026 15:52 #341132
by PCW
Replied by PCW on topic Servos drives directly start turning
Encoder issue? Did you that both encoders work?
Are they Scaled properly and in the correct direction?
Why does one joint have the scale reversed?
If the axis drifts when enabled, encoder feedback --> PID --> analog output is not working
If the axis runs away when enabled you most likely have the feedback loop reversed
Unless both motors hold position when enable (and resist applied torque)
the feedback loop is not working and needs to be checked on part at a time
Are they Scaled properly and in the correct direction?
Why does one joint have the scale reversed?
If the axis drifts when enabled, encoder feedback --> PID --> analog output is not working
If the axis runs away when enabled you most likely have the feedback loop reversed
Unless both motors hold position when enable (and resist applied torque)
the feedback loop is not working and needs to be checked on part at a time
Please Log in or Create an account to join the conversation.
Time to create page: 0.277 seconds